Page 2 sur 3
Re: Suzuki 500 gse fait peu neuve
Posté : 02 oct. 2015, 20:54
par coual
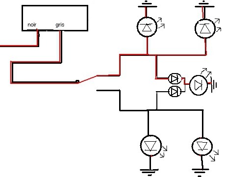
Heu... merci pour le schéma mais j'ai rien compris. ..j suis un boulet
Re: Suzuki 500 gse fait peu neuve
Posté : 03 oct. 2015, 05:47
par lolo37

heu , moi non plus pourquoi mettre deux diodes sur une diode led pour bloquer un retour de masse ?
Re: Suzuki 500 gse fait peu neuve
Posté : 03 oct. 2015, 07:37
par Pado79
coual a écrit :
Heu... merci pour le schéma mais j'ai rien compris. ..j suis un boulet
Normal, la il n'y a rien à comprendre -
La diode fonctionne dans un sens (et les leds sont des diodes) et pas dans l'autre (comme un clapet anti retour) en ajouter une en série ne change rien.
To blem vient d'une erreur de branchement
Ou d'une mauvaise masse.
Re: Suzuki 500 gse fait peu neuve
Posté : 03 oct. 2015, 09:18
par Spritz
C'est vous qui voyez

Re: Suzuki 500 gse fait peu neuve
Posté : 03 oct. 2015, 13:23
par lolo37
]
http://i21.servimg.com/u/f21/19/32/17/44/img_1423.jpg[/img][/url]
pourtant y'a pas plus simple la centrale peut aussi avoir trois fils ( une masse )
si c'est des clignos led :

- circui10.jpg (20.71 Kio) Vu 5262 fois
doncle schema de spritz est bon , j'avais pas pigé qu'il s'agissait de la led témoin
Re: Suzuki 500 gse fait peu neuve
Posté : 03 oct. 2015, 22:58
par coual
Merci pour les tuyaux je vais regarder ça de plus près.
La semaine prochaine la belle aura son nouveau pot d'échappement, je posterai des photos pour avoir vos impressions.
Ce sera un silencieux type mégaphone.
Re: Suzuki 500 gse fait peu neuve
Posté : 04 oct. 2015, 11:43
par Spritz
lolo37 a écrit :
doncle schema de spritz est bon , j'avais pas pigé qu'il s'agissait de la led témoin

Re: Suzuki 500 gse fait peu neuve
Posté : 04 oct. 2015, 15:40
par coual
J'ai compris le schéma mais alors pourquoi il n'y avait que 2 fils qui arrivait sur l'ampoule temoin et ça fonctionnait correctement. ..
Franchement je ne vois pas mon erreur ( qui doit être évidente )
Re: Suzuki 500 gse fait peu neuve
Posté : 08 oct. 2015, 09:30
par coual
Et voilà! La belle respire beaucoup mieux ...elle ronronne à présent

échappement fait sur mesure avec la butée de béquille centrale.
Et le son est juste énorme


Re: Suzuki 500 gse fait peu neuve
Posté : 08 oct. 2015, 12:36
par RossiFumi_46
Un peu grandes les photos, je suis en 50mega, ca fait 5min que ca charge

Re: Suzuki 500 gse fait peu neuve
Posté : 08 oct. 2015, 13:04
par lolo37
RossiFumi_46 a écrit :Un peu grandes les photos, je suis en 50mega, ca fait 5min que ca charge

ouais trop lourd le fichier pis en plus elles sont à l'envers
FAIS UN EFFORT BORDEL A CUL
Re: Suzuki 500 gse fait peu neuve
Posté : 08 oct. 2015, 13:36
par RossiFumi_46
A l'envers, ca permet de charger vite le pot remarque ^^
Re: Suzuki 500 gse fait peu neuve
Posté : 08 oct. 2015, 13:52
par antitunning

........... , propre le pot

Re: Suzuki 500 gse fait peu neuve
Posté : 08 oct. 2015, 20:30
par Pado79
Aie !
Mais elle va tomber !!!!!!!!!
Re: Suzuki 500 gse fait peu neuve
Posté : 09 oct. 2015, 08:23
par P-K